S88 Decoder sind für die Rückmeldung der Positionen der Züge (welches Gleis ist belegt, welches frei) zur PC-Steuerung zuständig. Dabei haben wir zwei Gruppen an Decodern im Blick: 2-Leiter (mit Stromfühler) und 3-Leiter-Decoder (auf „Masse“-Basis). Dazu gibt es noch einen S88 Repeater bzw. Booster, der ein schlechtes S88-Signal (durch „Blinken“ und „Flackern“ oft feststellbar) aufnimmt und verbessert wiederholt und so an eine Digitalzentrale besser sendet. Als Repeater genutzt kann er sogar die Spannung von 5 Volt verbessern (wenn diese absackt, durch „Blinken“ und „Flackern“ oft feststellbar) und den Bus per Booster wieder auf 5 Volt bringen.
Decoder
S88-Booster & S88-Repeater

S88-N-Modul für 2-Leiter

S88 Grundlage
Auf der digitalen Modellbahn, die per PC gesteuert wird, braucht man unbedingt S88 Rückmelder. Diese "erfühlen", wo sich gerade eine Lokomotive befindet. Der PC kann dann über die Zugsteuerung nachvollziehen, welcher Zug das sein muss und setzt ihn in den richtigen Block im Gleisbild.
Aber nicht nur Züge benötigen eine Rückmeldung per S88. Auch das Car-System (nicht das digitale von Faller) melden sich über Momentkontakte in der Fahrbahn am Computer zurück. Hier kommen so genannte Reed-Kontakte oder Hall-Sensoren zum Einsatz. Erstere werden an die Masse und den Rückmelde-Kanal des Rückmelde-Decoders (S88) angeschlossen. Fährt nun ein Auto über den Reed-Kontakt, dann fungiert der Reed-Kontakt als Schließer, es fließt Masse-Strom über ihn und der S88-Rückmelde-Kanal dedektiert ein Auto.
Unser Decoder erfüllt den S88 und S88-N Standard. Das bedeutet, dass der Decoder sowohl über ein Flachbandkabel (eher nicht zu empfehlen) als auch über ein Netzwerkkabel mit den anderen Decodern oder der Digitalzentrale zu verbinden ist.
3-Leiter
Die "Märklin-Fahrer" (3-Leiter) haben es ziemlich einfach, S88-Rückmelder einzubauen. Das K-Gleis (auch das C-Gleis) von Märklin hat 3 getrennte leitende Elemente auf der Schiene, die beiden Schwellen links und rechts und die mittleren Punktkontakte.
Zum Anschluss des S88-Decoders (reagiert auf Masse) wird nun eine der beiden Schwellen von den Schienen davor und danach isoliert (durch Sägen oder anderweitiges Abtrennen). D.h. wir haben auf einer Schienenseite eine isolierte Schwelle. Diese Schwelle kann nun an einen der 16 Eingänge eines S88-Rückmeldemoduls angeschlossen werden.
Fahren nun eine Lok oder ein Zug mit AC-Achsen (bei Märklin üblich, bei 2-Leiter-Anhängern z.B. nicht) darüber, wird die Masse der einen Schiene auf die andere übertragen. Damit fließt die Masse auch an den S88-Rückmelder und so kann festgestellt werden, dass auf dieser Schiene eine Lok oder ein Zug stehen muss.
Betagte Märklin M-Gleise (Metall) können nach diesem Prinzip NICHT funktionieren, da die Schienen über den Metallschotter in der Schiene miteinander verbunden sind. Für diese Schienen benötigt man eine andere Lösung, die auch die Zweileiterbahner nehmen müssen.
Zweileiter
Hat man keinen Mittelleiter in der Schiene, wie bei Märklin, dann fließt über die eine Schwelle der Gleise Plus und über die andere Seite die Masse. Daher kann man nicht, wie bei Märklin, eine Schwelle isolieren, es würde die gesamte Schiene unbrauchbar machen. Dennoch kann man auch bei Zweileitern eine Rückmeldung erreichen:
Zum ersten isoliert man wieder ein Stück Schiene, meistens nimmt man dazu konsequenterweise eine Seite, z.B. die Plus-Seite. Der Strom, den man nun auf dieses isolierte Stück Schiene gibt, kommt nicht direkt vom Trafo oder Booster, sondern es kommt direkt von einem S88-Rückmelder. Dieser hat 8 Kanäle, also 8 Ausgänge und keine 16, wie die Rückmeldemodule, die auf Masse funktionieren. Jeder der 8 Ausgänge kann nun ein Stück isolierten Schienenabschnitt überwachen. Wird an einer Stelle Strom „verbraucht“ durch einen Motor in der Lok, LED Lichter in Wagen oder einfach nur durch einen auf die Achse gelöteten Widerstand (der verbraucht immer Strom und so können auch komplett ausgeschaltete Lokomotiven oder Wagen im Stand erkannt werden), so erkennt der Dekoder auf diesem Kanal einen Verbrauch und meldet diesen als „belegt“. Dies kann dann in einer Digitalzentrale oder PC-Steuerung verarbeitet werden.
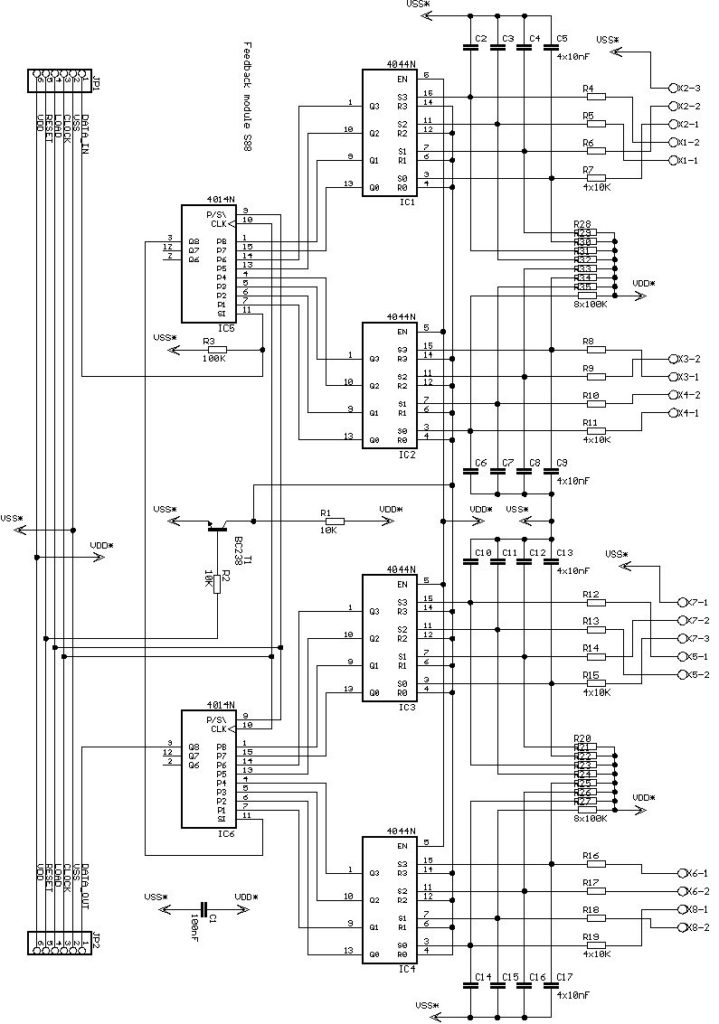
Schaltplan S88 Decoder (Masse, Märklin System)

Es gibt drei verschiedene Varianten des Decoders:
Platinenlayout 1 - selber ätzen, einseitiges Layout mit ein paar Kabeln auf der 2. Seite (ohne S88-N)

Platinenlayout 2 - zweiseitiges Layout zum produzieren lassen ohne S88-N-Anschluss

Platinenlayout 3 - zweiseitiges Layout mit S88-N Anschluss

S88 Booster und S88 Repeater
Mehr zu diesem genialen Baustein gibt es hier...


